Aspes Forum

Aspes Navaho Forum
Aktuelle Zeit: 24. Dez 2025 12:44

Alle Zeiten sind UTC + 1 Stunde [ Sommerzeit ]




Ein neues Thema erstellen Auf das Thema antworten  [ 36 Beiträge ]  Gehe zu Seite Vorherige  1, 2, 3, 4
Autor Nachricht
 Betreff des Beitrags: Re: Überholung Minarelli K6
BeitragVerfasst: 6. Apr 2023 09:30 
Offline
Benutzeravatar

Registriert: 24. Jul 2019 10:27
Beiträge: 608
Wohnort: Bornheim
Ich bevorzuge aber die Variante mit einzelnen Dichtringen.


Dateianhänge:
dichtam.jpg
dichtam.jpg [ 4.84 KiB | 3985-mal betrachtet ]

_________________
Wer später bremst ist länger schnell...

Gruß kotte
Nach oben
 Profil  
 
 Betreff des Beitrags: Re: Überholung Minarelli K6
BeitragVerfasst: 7. Apr 2023 17:03 
Offline
Benutzeravatar

Registriert: 22. Mai 2011 16:00
Beiträge: 6413
Wohnort: Bensheim
So hier mal ein Beispielbild, aber von nem 50er Corsa Corta Zylinder.

Denke man sieht wo der O-Ring hinkommt. Es sind aber noch keine Fasen im Zylinder und auch keine Dichtmasse. Nur für das Bild wollte ich die Sauerei nicht reinschmieren :roll:

Dateianhang:
3D25BBAB-3D08-47DE-9D75-7447D40A5995.jpeg
3D25BBAB-3D08-47DE-9D75-7447D40A5995.jpeg [ 1.37 MiB | 3967-mal betrachtet ]



Kalle

_________________
Bild


Nach oben
 Profil  
 
 Betreff des Beitrags: Re: Überholung Minarelli K6
BeitragVerfasst: 13. Apr 2023 09:54 
Offline

Registriert: 22. Jun 2011 12:57
Beiträge: 62
Wohnort: Waldsee
Hallo Kalle
vielleicht erinnerst Du Dich noch an das ausbeulen meines Auspuffs !
Habe mir dafür auch einen Auspuffflansch mit D= 35mm machen müssen.
Natürlich geht auch 32mm
Falls Du da Hilfe brauchst, melde dich.


Dateianhänge:
Auspuffflansch_35m.jpg
Auspuffflansch_35m.jpg [ 209.3 KiB | 3936-mal betrachtet ]
Auspuffflansch_35m_2lansch.jpg
Auspuffflansch_35m_2lansch.jpg [ 251.3 KiB | 3936-mal betrachtet ]
Auspuffflansch_35mm.png
Auspuffflansch_35mm.png [ 39.16 KiB | 3936-mal betrachtet ]

_________________
Tom44
Nach oben
 Profil  
 
 Betreff des Beitrags: Re: Überholung Minarelli K6
BeitragVerfasst: 13. Apr 2023 11:15 
Offline
Benutzeravatar

Registriert: 22. Mai 2011 16:00
Beiträge: 6413
Wohnort: Bensheim
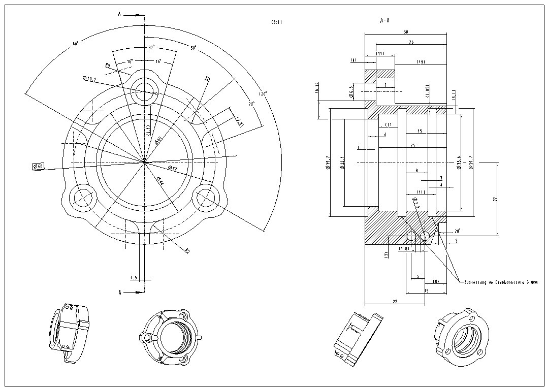
Wow edles Teil kann ich da nur sagen! ::-

CNC gefertigt? Bei so ner Zeichnung mit Sicherheit, oder?


Kalle

_________________
Bild


Nach oben
 Profil  
 
 Betreff des Beitrags: Re: Überholung Minarelli K6
BeitragVerfasst: 13. Apr 2023 14:37 
Offline

Registriert: 22. Jun 2011 12:57
Beiträge: 62
Wohnort: Waldsee
Hallo Kalle

:lol: ne ne hab ich ganz konventionell auf meiner Bohrfräse gemacht.
Ich müsste sogar noch so einen für den 32mm Auspuff haben. Hatte ich mal für meinen Auspuff gemacht bevor ich diesen Leistungskrümmer bekam.
Habe auch, wegen der besseren Abdichtung, zwei O-Ringe (Viton) rein gemacht.
Wie gesagt Angebot steht.

_________________
Tom44


Nach oben
 Profil  
 
 Betreff des Beitrags: Re: Überholung Minarelli K6
BeitragVerfasst: 13. Apr 2023 15:41 
Offline
Benutzeravatar

Registriert: 22. Mai 2011 16:00
Beiträge: 6413
Wohnort: Bensheim
Konventionell?? Chapeau! :o

Das mit den 2 O-Ringen war wir auch schon aufgefallen. Finde einer reicht, wenn alles auf Schiebesitz zusammengebaut ist. Wenn man dann noch Hochtemperatur Silikon verwendet, bleibt das ewig dicht.


Kalle

_________________
Bild


Nach oben
 Profil  
 
Beiträge der letzten Zeit anzeigen:  Sortiere nach  
Ein neues Thema erstellen Auf das Thema antworten  [ 36 Beiträge ]  Gehe zu Seite Vorherige  1, 2, 3, 4

Alle Zeiten sind UTC + 1 Stunde [ Sommerzeit ]


Wer ist online?

Mitglieder in diesem Forum: 0 Mitglieder und 12 Gäste


Du darfst keine neuen Themen in diesem Forum erstellen.
Du darfst keine Antworten zu Themen in diesem Forum erstellen.
Du darfst deine Beiträge in diesem Forum nicht ändern.
Du darfst deine Beiträge in diesem Forum nicht löschen.
Du darfst keine Dateianhänge in diesem Forum erstellen.

Suche nach:
Gehe zu:  
Powered by phpBB® Forum Software © phpBB Group
Deutsche Übersetzung durch phpBB.de