Aspes Forum

Aspes Navaho Forum
Aktuelle Zeit: 6. Nov 2025 11:13

Alle Zeiten sind UTC + 1 Stunde [ Sommerzeit ]




Ein neues Thema erstellen Auf das Thema antworten  [ 18 Beiträge ]  Gehe zu Seite 1, 2  Nächste
Autor Nachricht
 Betreff des Beitrags: Seitenständer
BeitragVerfasst: 8. Jun 2017 12:35 
Offline
Benutzeravatar

Registriert: 13. Apr 2017 20:34
Beiträge: 332
Wohnort: Fridingen
Hi
Meine rc steht nicht richtig auf dem seiten ständer
Weiß ja nicht mal ob der original ist
Hat mir jemand maße und oder bilder wie das gaze aussehen sollte??
Wär klasse
Mfg felix

_________________
Rinnn-Dinnn-Dinnnn....


Nach oben
 Profil  
 
 Betreff des Beitrags: Re: Seitenständer
BeitragVerfasst: 8. Jun 2017 13:49 
Offline
Benutzeravatar

Registriert: 22. Mai 2011 16:00
Beiträge: 6352
Wohnort: Bensheim
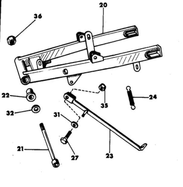
Also hier mal auf die Schnelle ein Bild aus dem Ersatzteilkatalog


Dateianhang:
Dateikommentar: Seitenständer
Seitenständer.jpg
Seitenständer.jpg [ 33.67 KiB | 17880-mal betrachtet ]


Jetzt ist die Frage welche Gabel und Federbeinlänge du hast, denn die Aspes Standard und Speziale haben unterschiedliche lange Seitenständer.

Gruß
Kalle

_________________
Bild


Nach oben
 Profil  
 
 Betreff des Beitrags: Re: Seitenständer
BeitragVerfasst: 8. Jun 2017 16:43 
Offline
Benutzeravatar

Registriert: 13. Apr 2017 20:34
Beiträge: 332
Wohnort: Fridingen
Ah ok
Also der hier ist 40-41 cm lang
Ob das eine spezial ist oder nicht weiß ich ja nicht
Aufm rahmen steht RC 02008
Die dämpfer hinten im entlasteten zustand augenabstamd 39-40cm

Hilft das ?
Mfg felix

_________________
Rinnn-Dinnn-Dinnnn....


Nach oben
 Profil  
 
 Betreff des Beitrags: Re: Seitenständer
BeitragVerfasst: 18. Jun 2017 15:17 
Offline
Benutzeravatar

Registriert: 22. Mai 2011 16:00
Beiträge: 6352
Wohnort: Bensheim
So bin jetzt mal in der Werkstatt gewesen und hab die zwei verschiedenen Seitenständer mal raus geholt

Speciale hat von Bohrungsmitte bis Aufstandsfläche 390mm, die Standard nur 360mm.

Dateianhang:
DSCN3188.JPG
DSCN3188.JPG [ 502.88 KiB | 17827-mal betrachtet ]


Dateianhang:
DSCN3189.JPG
DSCN3189.JPG [ 452.91 KiB | 17827-mal betrachtet ]



Normal hat die Standard bei den Federbeinen einen Augenabstand von 345mm und die Speciale 360mm.

Felix deine Federbeine kommen mir etwas zu lang vof :roll:

Gruß
Kalle

_________________
Bild


Nach oben
 Profil  
 
 Betreff des Beitrags: Re: Seitenständer
BeitragVerfasst: 18. Jun 2017 18:15 
Offline
Benutzeravatar

Registriert: 13. Apr 2017 20:34
Beiträge: 332
Wohnort: Fridingen
Also hab ich nen speciale ständer soweit so gut

Hm vielleicht hat mal jemand die mühle höhrgelegt wer weiß
Ich baue sie jetz erst mal komplett zusammen und wenn er nicht passt verlängere ich ihn
Weil die dämpfer sind jetzt schon überholt worden
Ein stück rohr einschweißen sollte kein problem sein
Mfg felix

_________________
Rinnn-Dinnn-Dinnnn....


Nach oben
 Profil  
 
 Betreff des Beitrags: Re: Seitenständer
BeitragVerfasst: 19. Jun 2017 09:37 
Offline

Registriert: 25. Mai 2011 13:19
Beiträge: 2452
Wohnort: Opladen
Hi Kallle,
ich meine, mich erinnern zu können, dass du einen Seitenständer vor Jahren bei mir über Ebay ersteigert hast.
Wenn das einer von dene ist, möchte ich ergänzen, dass der von einer 80 Standard ist. Und die hatte die langen Corte&Cosso drin. Sind glaube ich >370 mm lang gewesen. Hat mittlerweile der Mike.

_________________
Grützi
Dirk

Forum live im Ruhrgebiet 2012
Forum live im Ruhrgebiet 2013


Nach oben
 Profil  
 
 Betreff des Beitrags: Re: Seitenständer
BeitragVerfasst: 19. Jun 2017 11:05 
Offline
Benutzeravatar

Registriert: 22. Mai 2011 16:00
Beiträge: 6352
Wohnort: Bensheim
80er Standard und 50er Special haben beide normal 360mm Federbeine drin und beide gleiche Schwinge. Beide Gabeln (Samfis Special und Foral der 8ß0er) sind auch gleich lang.

Und beide Ständer sind wirklich gleich lang, konnte ich vergleichen :mrgreen:

Aber man kann bei den Italienern (oder dem Barthold) nie 100%ig sicher sein, das die nicht noch irgendwas anderes zusammen geworfen haben

Gruß
Kalle

_________________
Bild


Nach oben
 Profil  
 
 Betreff des Beitrags: Re: Seitenständer
BeitragVerfasst: 19. Jun 2017 13:59 
Offline

Registriert: 25. Mai 2011 13:19
Beiträge: 2452
Wohnort: Opladen
Habe gerade nochmal in meinen Restaurationsbericht geschaut. Die Corte Cosso der 80er Standard -und es sind die gleichen wie auf dem Prospektbild zu sehen, also nix gewürfeltes- sind 380 mm lang.

_________________
Grützi
Dirk

Forum live im Ruhrgebiet 2012
Forum live im Ruhrgebiet 2013


Nach oben
 Profil  
 
 Betreff des Beitrags: Re: Seitenständer
BeitragVerfasst: 19. Jun 2017 15:57 
Offline
Benutzeravatar

Registriert: 22. Mai 2011 16:00
Beiträge: 6352
Wohnort: Bensheim
Gesamtlänge oder Augenabstand?

_________________
Bild


Nach oben
 Profil  
 
 Betreff des Beitrags: Re: Seitenständer
BeitragVerfasst: 19. Jun 2017 18:56 
Offline

Registriert: 25. Mai 2011 13:19
Beiträge: 2452
Wohnort: Opladen
Natürlich Augenabstand.

_________________
Grützi
Dirk

Forum live im Ruhrgebiet 2012
Forum live im Ruhrgebiet 2013


Nach oben
 Profil  
 
Beiträge der letzten Zeit anzeigen:  Sortiere nach  
Ein neues Thema erstellen Auf das Thema antworten  [ 18 Beiträge ]  Gehe zu Seite 1, 2  Nächste

Alle Zeiten sind UTC + 1 Stunde [ Sommerzeit ]


Wer ist online?

Mitglieder in diesem Forum: 0 Mitglieder und 6 Gäste


Du darfst keine neuen Themen in diesem Forum erstellen.
Du darfst keine Antworten zu Themen in diesem Forum erstellen.
Du darfst deine Beiträge in diesem Forum nicht ändern.
Du darfst deine Beiträge in diesem Forum nicht löschen.
Du darfst keine Dateianhänge in diesem Forum erstellen.

Suche nach:
Gehe zu:  
cron
Powered by phpBB® Forum Software © phpBB Group
Deutsche Übersetzung durch phpBB.de